版權所有 ? 2020-2021 張家港市南承機械有限公司 版權所有. 蘇ICP備11006056號-1 網站地圖
邱經理:13601566060 / 胡經理:18020239038


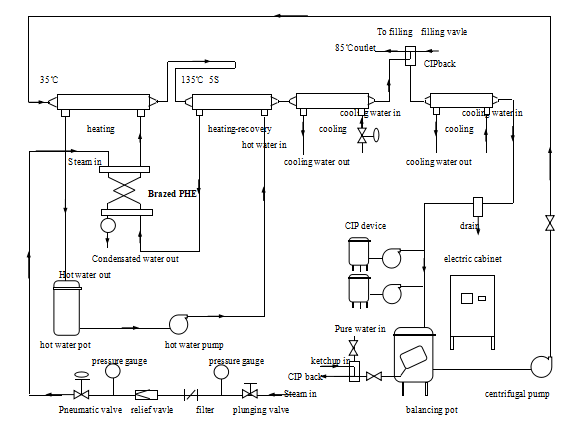
主要用于果汁、茶飲料、鮮奶、葡萄酒等熱敏性液體的殺菌、保溫、冷卻,殺菌溫度在85℃-135℃。